Технические характеристики насоса Гном 25-20T Ex
| Цена: zapros руб. с ндс |
Технические характеристики взрывозащищенного насоса погружного Гном 25-20T Ex.
Назначение агрегата: откачивание сточных вод и загрязненной грунтовой воды с примесями сырой нефти.
Насосы Гном эксплуатируют в вертикальном положении при полном или частичном погружении в перекачиваемую жидкость на глубину не менее 0,12 м.
Привод насоса взрывозащищенного обеспечивает асинхронный встроенный герметизированный электродвигатель.
Тип двигателя - трехфазный взрывозащищенный электродвигатель с короткозамкнутым ротором.
Условное обозначение насоса
Гном 25-20T Ex У*, где
- 25: подача номинальная, м³/час;
- 20: напор номинальный, м;
- Т: температурный (перекачиваемая среда температурой до 60°С);
- Ех: взрывозащищенный;
- У*: климатическое исполнение и категория размещения.
Электроподключение насоса
- ток: переменный;
- напряжение: 380/660В;
- частота тока: 50 Гц.
Таблица 1: Технические характеристики погружных насосов Гном 25-20T Ex.
| Марка | Подача м³/ч |
Напор м |
Двигатель квт |
Двигатель об/мин |
Масса агрегата кг |
| Гном 25-20T Ex | 25 | 20 | 3 | 3000 | 85 |
Диапазон подачи 6-56 м³/ч, напора 28-2 м.
Потребляемый ток 6/3,4 А, потребляемая мощность 3,0 квт.
Глубина погружения по уровень среды не менее 0,12 м.
Моноблочный насос относится к взрывозащищенному электрооборудованию группы II с "0" (нулевым) особо взрывобезопасным уровнем взрывозащиты.
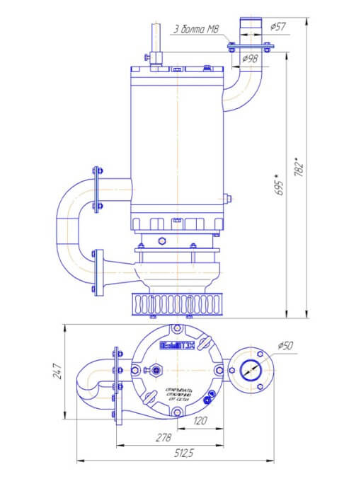
Высота насоса Гном 25-20T Ex - 782 мм.
Максимальный поперечный размер 512,5 мм.
Присоединительный диаметр отверстий для патрубка - мм.
Размер отверстий для резьб -.
Количество отверстий -.
Рис. 1. Габаритный чертеж погружного насоса Гном 25-20T Ex.
Рис.1 Габаритный чертеж погружного электронасоса ![]() |

Маргарита 
