Технические характеристики насоса Гном 350-25
| Цена: 728 650 руб. с ндс |
Технические характеристики моноблочного насоса погружного Гном 350-25.
Назначение Гном 350-25: передвижное средство для откачивания загрязненной воды и сточных вод при строительстве, дренаже котлованов и траншей, для понижения уровня грунтовых вод, орошения, перекачивания воды на объектах водоснабжения и др.
Погружной насос Гном 350-25 эксплуатируется в вертикальном положении при полном или частичном погружении в жидкость.
Привод погружного моноблочного насоса осуществляет встроенный асинхронный герметизированный трехфазный электродвигатель с короткозамкнутым ротором.
Условное обозначение насоса
Гном 350-25 У*, где
- 350: номинальная подача, м³/час;
- 25: номинальный напор, м;
- У*: климатическое исполнение и категория размещения.
Электроподключение насоса
- ток: переменный;
- напряжение: 380 В;
- частота тока: 50 Гц.
Таблица 1: Технические характеристики погружных насосов Гном 350-25.
| Марка | Подача м³/ч |
Напор м |
Двигатель квт |
Двигатель об/мин |
Масса агрегата кг |
| Гном 350-25 | 350 | 25 | 40 | 3000 | 470 |
Данные из паспорта погружного насоса
Рабочий интервал подачи - 50-350 м³/час. Диапазон подачи регулируется запорной арматурой на выходном трубопроводе.
Потребляемый ток 70 А, потребляемая мощность 40 квт.
Глубина погружения насоса не меньше 1,0 м, но не более 10 м.
По электрозащите моноблочный насос соответствует I по ГОСТ 12.2.007.0-75.
Режим работы погружного электронасоса Гном 350-25 продолжительный S1.
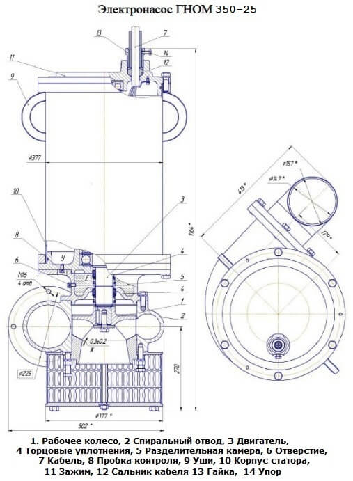
Высота электронасоса погружного 1164 мм.
Поперечный размер 502 мм.
Напорный патрубок Ду= мм.
Размер отверстий для резьб М16.
Количество отверстий 4.
Водоотводящий трубопровод формируют из рукава резинового по ГОСТ 18698-79 или пожарного по ТУ 11-1802-74.
Рис. 1. Габаритный чертеж погружного насоса Гном 350-25.
Рис. 2. Схема установки электроагрегата.
Рис.1 Габаритный чертеж погружного агрегата Гном 350-25 ![]() |
Рис.2 Схема установки Гном 350-25 ![]() |


Маргарита 
