Характеристики KR 125-100-200/193-4/5.5
 
    
 Kordis (Кордис) KR 125-100-200/193-4/5.5 - технические и рабочие характеристики. 
 
     Конструктивно  насос с осевым вводом центробежный консольный и  перекачивает воду и различные неагрессивные жидкости, схожие с водой по химической активности, плотности, вязкости,  и плотность.
  
      Условное обозначение
      KR 125-100-200/193-4/5.5 УХЛ3.1, где
      - KR: консольный горизонтальный;
      - 125: диаметр входного патрубка, мм;
      - 100: диаметр патрубка на выходе, мм;
      - 200: диаметр  рабочего колеса номинальный, мм;
 
      - 193: диаметр рабочего колеса фактический, мм; 
      - 4: количество полюсов электропривода; 
      - 5.5: мощность электродвигателя, квт; 
 
      - УХЛ: климатическое исполнение; 
      - 3.1: категория размещения. 
 
      С уплотнением сальниковым насос KR 125-100-200/193-GG-G-4-УХЛ3.1/F5,5 Кордис - буквенное обозначение:
      - GG: серый чугун - рабочее колесо и корпус;
      - G: уплотнение сальниковое;
      - УХЛ: климатическое исполнение; 
 
      - F: насос  c электроприводом на раме, упругая муфта и защитный кожух.
      
  
      В качестве привода в насосе KR 125-100-200/193-4/5.5 Kordis (Кордис) применяется трехфазный с короткозамкнутым ротором общепромышленного исполнения асинхронный электродвигатель. 
      Типоразмер электропривода в насосном электроагрегате - 132S4 (в соответствие с нормами европейского стандарта DIN).
 
   
      Для оснащения насосных электроагрегатов взрывозащищенные электродвигатели не используются. 
 
      Электроснабжение
 
      -  переменный трехфазный ток;
 
      - напряжение сети 380 В;
      - частота тока 50 Гц.
      Таблица 1:  Технические характеристики насосов Kordis (Кордис)
| Марка | Подача/ (диапазон) м³/ч  | 
Напор/ (диапазон)  м  | 
Двигатель квт/об/мин  | 
КПД %  | 
| KR 125-100-200/193-4/5.5 | 156 97,1-191,8  | 
10 11,9-8,7  | 
5,5*1430 | 81,3 | 
 
  Фланцевые патрубки, рассчитанные на давление в 16 кгс/см².
  
  Допускаемый кавитационный запас (ДКЗ) не превышает 1,9 м.
 Максимальный КПД электронасосного агрегата 81,3%. 
  
  В одноступенчатый центробежный насос модификации KR 125-100-200/193-4/5.5 должен монтироваться только сертифицированный электродвигатель.
Рабочие характеристики насоса ![]()  | 
Габаритный чертеж насоса ![]()  | 
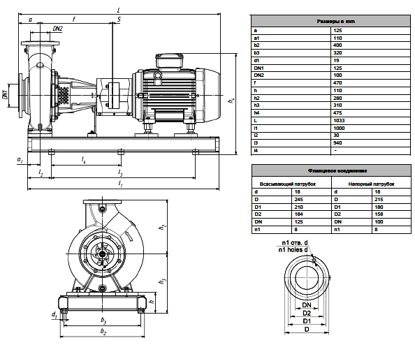
Габаритные и присоединительные размеры насоса ![]()  | 
Габаритные и присоединительные размеры агрегата ![]()  | 




  Вячеслав  
