Характеристики KR 300-300-360/320-4/90
Kordis (Кордис) KR 300-300-360/320-4/90 - рабочие и технические характеристики насоса.
Конструктивно насос одноступенчатый консольный с осевым вводом и тангенциальным отводом и предназначен для перекачки воды и неагрессивных жидких сред, схожих по свойствам с водой (химическая активность, вязкость и плотность).
Условное обозначение
KR 300-300-360/320-4/90 УХЛ3.1, где
- KR: консольный горизонтальный;
- 300: диаметр входного патрубка, мм;
- 300: диаметр патрубка на выходе, мм;
- 360: номинальный диаметр рабочего колеса, мм;
- 320: фактический диаметр рабочего колеса, мм;
- 4: число полюсов привода;
- 90: мощность электрического двигателя, квт;
- УХЛ: климатическое исполнение;
- 3.1: категория размещения.
KR 300-300-360/320-GG-G-4-УХЛ3.1/F90 насос с сальниковым уплотнением, буквенные обозначения, где:
- GG: корпус и рабочее колесо выполнены из серого чугуна;
- G: уплотнение сальниковое;
- УХЛ: климатическое исполнение;
- F: насос c электродвигателем на раме, упругая муфта, защитный кожух.
Насосный агрегат Kordis (Кордис) KR 300-300-360/320-4/90 комплектуются электрическим приводом, в качестве которого монтируется трехфазный асинхронный электродвигатель с короткозамкнутым ротором.
Типоразмер привода, в соответствии с нормами европейского стандарта DIN - 280M4 (мощность - 90 квт).
Для комплектации электронасосных агрегатов взрывозащищенные электродвигатели не используются.
Электроснабжение
- ток трехфазный переменный;
- напряжение сети: 380 В;
- частота тока: 50 Гц.
Таблица 1: Технические характеристики насосов Kordis (Кордис)
| Марка | Подача/ (диапазон) м³/ч |
Напор/ (диапазон) м |
Двигатель квт*об/мин |
КПД % |
| KR 300-300-360/320-4/90 | 1524 647-1741 |
24,2 31-21 |
90*1485 | 85,9 |
Фланцевые патрубки рассчитаны на давление не выше 16 кгс/см².
ДКЗ (допускаемый кавитационный запас) не более 5,2 м.
Максимальный КПД насосного агрегата 85,9%.
Для оснащения насоса приводом в насосный агрегат рекомендуется устанавливать только сертифицированный асинхронный электродвигатель.
Рабочие характеристики насоса ![]() |
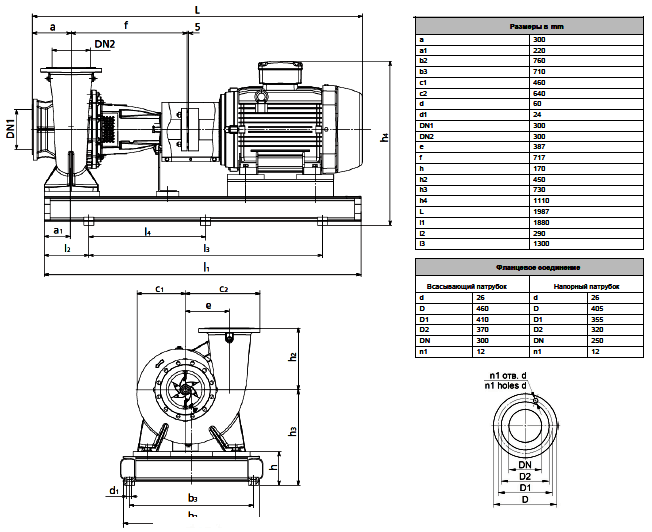
Габаритный чертеж насоса |
Габаритные и присоединительные размеры насоса ![]() |
Габаритные и присоединительные размеры агрегата ![]() |



Маргарита 
