Характеристики KRL 100-200/208-4/4
KRL 100-200/208-4/4 Kordis - рабочие и технические характеристики насоса Кордис.
Конструктивно - насос консольный с вертикальным валом центробежный моноблочный с патрубками в линию, перекачивающий чистую воду и неагрессивные жидкие среды, имеющие схожие с водой свойства по вязкости, плотности и химической активности.
Условное обозначение агрегата
KRL 100-200/208-4/4 УХЛ3.1, где
- KRL: консольный моноблочный вертикальный патрубки в линию;
- 100: диаметр патрубков на входе и выходе, мм;
- 200: диаметр номинальный рабочего колеса, мм;
- 208: диаметр фактический рабочего колеса, мм;
- 4: количество полюсов электрического двигателя;
- 4: мощность электродвигателя, квт;
- УХЛ: климатическое исполнение;
- 3.1: категория размещения.
Для оснащения электроагрегата Kordis KRL 100-200/208-4/4 электрическим двигателем, используется общепромышленного исполнения трехфазный асинхронный электродвигатель, типоразмер которого, в соответствии нормами европейского стандарта DIN, 112 M4 (4 квт).
Взрывозащищенные электродвигатели не предусмотрены для монтажа электронасосных агрегатов.
Электроподключение
- переменный трехфазный ток;
- сетевое напряжение 380 В;
- ток частотой 50 Гц.
Таблица 1: Технические характеристики насосов Kordis (Кордис)
| Марка | Подача/ (диапазон) м³/ч |
Напор/ (диапазон) м |
Двигатель квт/об/мин |
Ток А |
| KRL 100-200/208-4/4 | 81 33-92 |
13,7 14,6-13,4 |
4*1410 | 8,3 |
Максимальное рабочее давление для фланцевых патрубков не превышает 16 кгс/см².
Максимальный КПД насосного электроагрегата - 77,1%.
Давление на входе в насос не превышает - 13,92 бар.
В моноблочной конструкции вертикальный центробежный насос типа KRL 100-200/208-4/4 Кордис с патрубками в линию должен устанавливаться только трехфазный асинхронный сертифицированный общепромышленный электродвигатель.
Рабочие характеристики насоса ![]() |
Габаритный чертеж насоса ![]() |
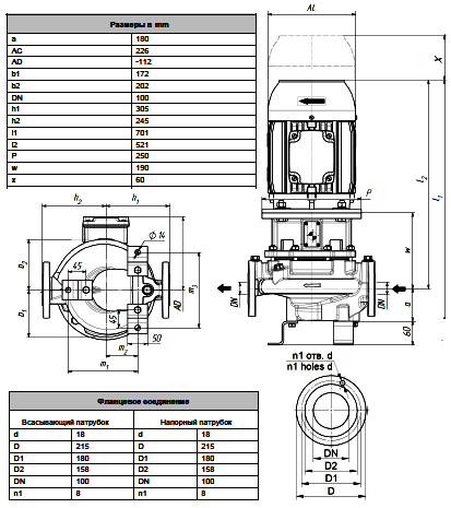
Габаритно-присоединительные размеры насосного агрегата ![]() |



Маргарита 
