Характеристики KRL 32-160/176-4/0.55
Технические характеристики насоса KRL 32-160/176-4/0.55 Kordis (Кордис).
По своему техническому устройству - консольно-моноблочный вертикальный с патрубками в линию центробежный насос, используемый для перекачки воды и жидкостей, сходных с водой по химической активности, вязкости и плотности.
Условное обозначение
KRL 32-160/176-4/0.55 УХЛ3.1, где
- KRL: консольный моноблочный вертикальный с патрубками "в линию";
- 32: диаметр патрубков насоса на входе и выходе, мм;
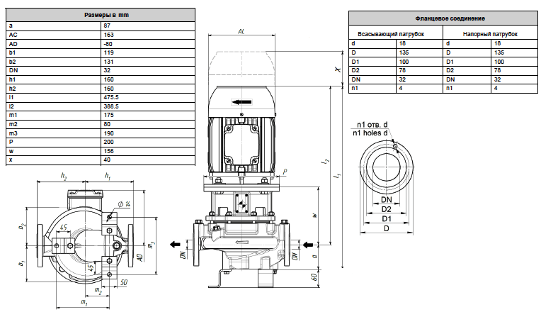
- 160: диаметр номинальный рабочего колеса, мм;
- 176: диаметр рабочего колеса фактический, мм;
- 4: количество полюсов электродвигателя;
- 0.55: мощность электродвигателя, квт;
- УХЛ: климатическое исполнение;
- 3.1: категория размещения.
Для осуществления привода электронасосного агрегата в Kordis (Кордис) KRL 32-160/176-4/0.55 монтируется асинхронный электродвигатель с короткозамкнутым ротором, соответствующий европейскому стандарту DIN и требованиям CENELEC.
Электропривод в насосном электроагрегате - общепромышленного назначения трехфазный электродвигатель.
Типоразмер электродвигателя по европейскому стандарту DIN, устанавливаемого в насосный агрегат, 80A4.
Электродвигатели взрывозащищенные для комплектования насосных агрегатов не предусмотрены.
Электроснабжение
- переменный трехфазный ток;
- сеть напряжением 380 В;
- ток частотой 50 Гц.
Таблица 1: Технические характеристики насосов Kordis (Кордис)
| Марка | Подача/ (диапазон) м³/ч |
Напор/ (диапазон) м |
Двигатель квт/об/мин |
Max. кпд % |
| KRL 32-160/176-4/0.55 | 11 5,1-15,9 |
7 8,7-5,9 |
0,55*1360 | 50,2 |
Консольный вертикальный центробежный насос KRL 32-160/176-4/0.55 с патрубками в линию комплектуется только сертифицированным электродвигателем.
Максимальное давление на входе - 8,78 бар.
Максимальный КПД насосного агрегата - 50,2%.
Максимальное рабочее давление для фланцевых патрубков - 16 кгс/см².
Рабочие характеристики насоса ![]() |
Габаритный чертеж насоса ![]() |
Габаритно-присоединительные размеры насосного агрегата ![]() |



Маргарита 
