Характеристики KRL 65-250/246-2/30
KRL 65-250/246-2/30 Kordis (Кордис) - рабочие и технические характеристики.
По устройству - моноблочный центробежный с патрубками в линию консольной конструкции насос, перекачивающий воду и различные жидкости, сходных с водой по химической активности, плотности и вязкости.
Условное обозначение
KRL 65-250/246-2/30 УХЛ3.1, где
- KRL: консольный моноблочный "в линию" вертикальный;
- 65: диаметр входного и выходного патрубков, мм;
- 250: диаметр номинальный рабочего колеса, мм;
- 264: диаметр фактический рабочего колеса, мм;
- 2: количество полюсов электропривода;
- 30: мощность электродвигателя, квт;
- УХЛ: климатическое исполнение;
- 3.1: категория размещения.
В насос типа KRL 65-250/246-2/30 Kordis (Кордис), для обеспечения привода, монтируется общепромышленный трехфазный асинхронный электродвигатель с короткозамкнутым ротором, в соответствии с европейским стандартом DIN тип электрического привода - 200LA2 (мощность 30 квт).
При монтаже электроагрегатов взрывозащищенные электродвигатели не используются.
Электропитание
- переменный трехфазный ток;
- сетевое напряжение 380 В;
- ток частотой 50 Гц.
Таблица 1: Технические характеристики насосов Kordis (Кордис)
| Марка | Подача/ (диапазон) м³/ч |
Напор/ (диапазон) м |
Двигатель квт/об/мин |
Ток А |
| KRL 65-250/246-2/30 | 116 55-122 |
67,4 82,5-66 |
30*2940 | 53,2 |
Рабочее давление максимальное для фланцевых патрубков 16 кгс/см².
Максимальное входное давление - 1,4 бар.
Максимальное КПД электроагрегата - 74%.
В консольного типа с патрубками в линию центробежный насос с патрубками в линию KRL 65-250/246-2/30 должен устанавливаться только асинхронный сертифицированный электродвигатель.
Рабочие характеристики насоса ![]() |
Габаритный чертеж насоса ![]() |
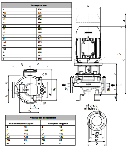
Габаритные и присоединительные размеры агрегата ![]() |



Маргарита 
