Характеристики KRM 100-80-250/215-2/37
Kordis (Кордис) KRM 100-80-250/215-2/37 - рабочие и технические характеристики.
Насос, по устройству, консольной конструкции одноступенчатый центробежный с осевым вводом и перекачивает воду и неагрессивные жидкие среды, имеющие схожие с водой свойства (вязкость, плотность, химическая активность).
Условное обозначение
KRM 100-80-250/215-2/37 УХЛ3.1, где
- KRM: консольный горизонтальный моноблочный насос;
- 100: диаметр входного патрубка, мм;
- 80: диаметр напорного патрубка, мм;
- 250: номинальный диаметр рабочего колеса, мм;
- 215: фактический диаметр рабочего колеса, мм;
- 2: количество полюсов привода;
- 37: мощность электродвигателя, квт;
- УХЛ: климатическое исполнение;
- 3.1: категория размещения.
Привод моноблочного насоса KRM 100-80-250/215-2/37 Kordis (Кордис) в насосном агрегате обеспечивает общепромышленного исполнения асинхронный электродвигатель типоразмера 200LB2 (по европейскому стандарту DIN).
В оснащении насосных агрегатов данного типа взрывозащищенные электродвигатели не используются.
Электроснабжение
- переменный трехфазный ток;
- сетевое напряжение 380 В;
- ток с частотой 50 Гц.
Таблица 1: Технические характеристики насосов Kordis (Кордис)
| Марка | Подача/ (диапазон) м³/ч |
Напор/ (диапазон) м |
Двигатель квт об/мин |
КПД % |
| KRM 100-80-250/215-2/37 | 179 111,5-226 |
58,3 66-51 |
37*2940 | 75,9 |
Сила тока электронасосного агрегата 63,8А.
Фланцевые патрубки насоса рассчитаны на давление в 16 кгс/см².
Допускаемый кавитационный запас (ДКЗ) электроагрегата не более 4 м.
Для оснащения приводом в насосный агрегат KRM 100-80-250/215-2/37 должен устанавливаться только сертифицированный трехфазный с короткозамкнутым ротором асинхронный электродвигатель.
Рабочие характеристики насоса ![]() |
Габаритный чертеж насоса ![]() |
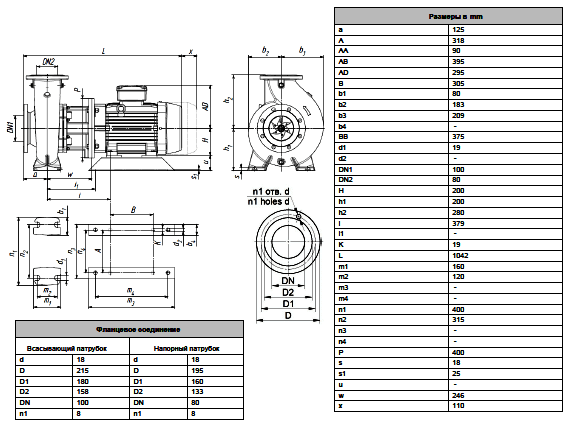
Габаритные и присоединительные размеры насоса ![]() |
Габаритные и присоединительные размеры агрегата ![]() |




Маргарита 
