Характеристики KRM 50-32-125.1/108-4/0.25
KRM 50-32-125.1/108-4/0.25 Кордис - рабочие и технические характеристики.
С осевым вводом и закрытым рабочим колесом консольный одноступенчатый моноблочный центробежный насос, перекачивющий воду и с неагрессивными свойствами жидкие среды, схожие с водой по химической активности, вязкости и плотности.
Условное обозначение
KRM 50-32-125.1/108-4/0.25 УХЛ3.1, где
- KRM: консольный горизонтальный моноблочный;
- 50: диаметр патрубка на входе, мм;
- 32: диаметр патрубка на выходе, мм;
- 125: диаметр номинальный рабочего колеса, мм;
- .1: насос с пониженной подачей;
- 108: диаметр фактический рабочего колеса, мм;
- 4: количество полюсов электрического привода;
- 0,25: мощность приводного электродвигателя, квт;
- УХЛ: климатическое исполнение;
- 3.1: категория размещения.
Асинхронный электродвигатель, входящий в состав электронасосного агрегата Кордис KRM 50-32-125.1/108-4/0.25 - с короткозамкнутым ротором трехфазный общепромышленного исполнения, типоразмера, в соответствии с нормой еаропейского стандарта DIN, 71A4 (0,25 квт).
Взрывозащищенные электродвигатели в комплектации электроприводами насосных агрегатов Kordis, данного типа, не применяются.
Электроснабжение
- переменный трехфазный ток;
- сетевое напряжение 380 В;
- частота тока 50 Гц.
Таблица 1: Технические характеристики насосов Kordis (Кордис)
| Марка | Подача/ (диапазон) м³/ч |
Напор/ (диапазон) м |
Двигатель квт/об/мин |
КПД %, max |
| KRM 50-32-125.1/108-4/0.25 | 7 3,4-9 |
2,7 3,15-1,79 |
0,252*1320 | 52,4 |
Сила тока электронасосного агрегата 0,8А.
ДКЗ (допускаемый кавитационный запас) насоса не более 1,2 м.
Патрубки фланцевые рассчитаны на давление 16 кгс/см².
В консольный горизонтальный с осевым входом моноблочный центробежный насос типа KRM 50-32-125.1/108-4/0.25 должен монтироваться только трехфазный сертифицированный асинхронный общепромышленный электродвигатель.
Рабочие характеристики насоса ![]() |
Габаритный чертеж насоса ![]() |
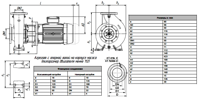
Габаритные и присоединительные размеры насоса ![]() |
Габаритные и присоединительные размеры агрегата ![]() |




Маргарита 
