Характеристики KRM 65-40-160/174-2/11
Технические и рабочие (напорные) характеристики KRM 65-40-160/174-2/11 Kordis (Кордис).
По своему устройству - консольный горизонтальный моноблочный центробежный насос, применяемый для перекачки воды и жидких сред, сходных с водой, по физико-химическим свойствам (вязкости, плотности и химической активности).
Условное обозначение
KRM 65-40-160/174-2/11 УХЛ3.1, где
- KRM: консольный горизонтальный моноблочный;
- 65: диаметр входящего патрубка, мм;
- 40: диаметр патрубка напорного, мм;
- 160: номинальный диаметр рабочего колеса, мм;
- 174: диаметр фактический рабочего колеса, мм;
- 2: количество полюсов привода;
- 11: мощность электрического привода, квт;
- УХЛ: климатическое исполнение;
- 3.1: категория размещения.
В насосном электроагрегате KRM 65-40-160/174-2/11 Kordis (Кордис), для осуществления привода используется общепромышленный с короткозамкнутым ротором трехфазный электродвигатель асинхронный.
Тип электропривода в электронасосном агрегате, по нормами европейского стандарта DIN, 160MA2.
Взрывозащищенные электродвигатели для оснащения насосных агрегатов не предусмотрены.
Электропитание
- трехфазный ток переменный;
- сеть напряжением в 380 В;
- частота тока в сети 50 Гц.
Таблица 1: Технические характеристики насосов Kordis (Кордис)
| Марка | Подача/ (диапазон) м³/ч |
Напор/ (диапазон) м |
Двигатель квт/об/мин |
Ток А |
| KRM 65-40-160/174-2/11 | 49 24,08-67,23 |
38 44-31,5 |
11*2910 | 20,6 |
Максимальный КПД электронасосного агрегата - 78%.
Допускаемый кавитационный запас (ДКЗ) до 2,0 м.
Фланцевые патрубки, рассчитанные на давление в 16 кгс/см².
В консольный одноступенчатый моноблочный насос типа KRM 65-40-160/174-2/11 должен устанавливаться только прошедший обязательную сертификацию электродвигатель.
Рабочие характеристики насоса ![]() |
Габаритный чертеж насоса ![]() |
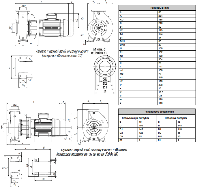
Габаритные и присоединительные размеры насоса ![]() |
Габаритные и присоединительные размеры агрегата ![]() |




Маргарита 
