Характеристики KRM 65-50-125/130-2/5.5
KRM 65-50-125/130-2/5.5 Кордис - рабочие и технические характеристики.
Горизонтальные консольные с осевым вводом моноблочные центробежные насосы типа Kordis, предназначенные для перекачки технической воды и неагрессивных жидкостей, сходных с водой по таким показателям, как плотность, вязкость и химическая активность.
Условное обозначение
KRM 65-50-125/130-2/5.5 УХЛ3.1, где
- KRM: консольный горизонтальный моноблочный;
- 65: диаметр патрубка на входе, мм;
- 50: диаметр напорного патрубка, мм;
- 125: диаметр рабочего колеса номинальный, мм;
- 142: диаметр фактический рабочего колеса, мм;
- 2: количество полюсов приводного двигателя;
- 5.5: мощность электродвигателя, квт;
- УХЛ: климатическое исполнение;
- 3.1: категория размещения.
Электродвигатель, монтируемый в электронасос KRM 65-50-125/130-2/5.5 Кордис, для осуществления привода насоса, трехфазный общепромышленного исполнения с короткозамкнутым ротором, типоразмера, в соответствии с европейским стандартом DIN и требованием CENELEC, 132SA2 (5,5 квт).
Взрывозащищенные электродвигатели в комплектации насосных агрегатов Kordis для перекачивания воды, не используются.
Электроподключение
- переменный трехфазный ток;
- сеть напряжением 380 В;
- трок частотой 50 Гц.
Таблица 1: Технические характеристики насосов Kordis (Кордис)
| Марка | Подача/ (диапазон) м³/ч |
Напор/ (диапазон) м |
Двигатель квт/об/мин |
ДКЗ м |
| KRM 65-50-125/130-2/5.5 | 83 38-99,6 |
16,2 20,9-13,8 |
5,5*2900 | 3,4 |
Максимальный КПД насосного электроагрегата 77,6%.
Патрубки фланцевые рассчитаны на давление 16 кгс/см².
Сила тока электронасосного агрегата 10,7А.
В центробежный консольной конструкции моноблочный насос типа KRM 65-50-125/130-2/5.5 должен устанавливаться только сертифицированный трехфазный общепромышленный асинхронный электродвигатель.
Рабочие характеристики насоса ![]() |
Габаритный чертеж насоса ![]() |
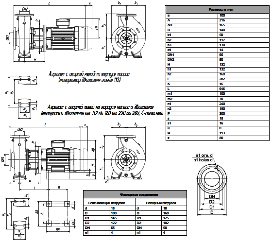
Габаритные и присоединительные размеры насоса ![]() |
Габаритные и присоединительные размеры агрегата ![]() |




Маргарита 
