Вакуумный насос ВВН-3Н - характеристики
|
Цена:
1 496 858 руб. с ндс (7,5 квт) |
Технические характеристики - промышленный водокольцевой насос вакуумный ВВН-3Н для откачивания агрессивных газов из закрытых аппаратов.
Насосы ВВН не требуют предварительной очистки поступающих газов. Допускается попадание внутрь насоса влаги вместе с откачиваемым газом.
Насосы применяются нефтехимической, целлюлозно-бумажной, пищевой и других отраслях промышленности.
Водокольцевые вакуумные насосы ВВН-3Н комплектуются сальниковыми уплотнениями (жгут ФУМ-В), которые располагается в центральных расточках лобовин.
Проточные детали насоса, которые контактируют с агрессивной рабочей средой, выполняются из нержавеющей стали.
Для привода электронасоса устанавливается общепромышленный электродвигатель серии АИР.
Тип электродвигателя насосного агрегата - асинхронный двигатель АИР132S4, мощностью 7,5 квт. Число оборотов двигателей - 1500 в минуту.
Вакуумный водокольцевой насос ВВН-3Н выпускается в климатическом исполнении и категории размещения УХЛ4.
Рис. 1: напорные характеристики насоса.
Рис. 2: разрез насоса.
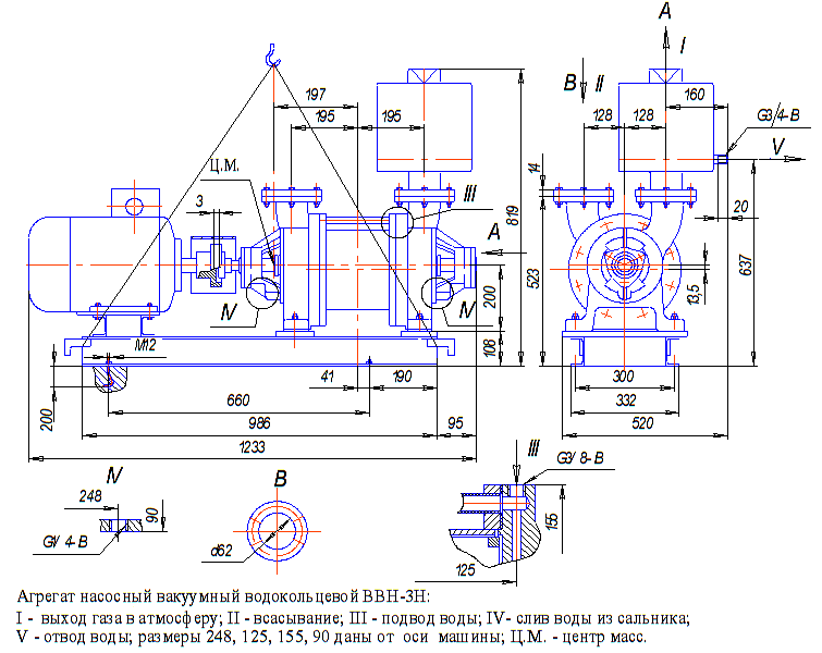
Рис. 3: габаритный чертеж насосного агрегата.
Рис.1 Напорная характеристика насоса ![]() |
Рис.2 Разрез насоса ![]() |
Рис.3 Габаритный чертеж агрегата ВВН-3Н![]() |



Маргарита 
