Технические характеристики насоса К 150-125-250
|
Цены:
82 650 руб. с ндс (б/дв, б/р) 90 750 руб. с ндс (б/дв, н/р) 130 500 руб. с ндс (15 квт) 133 700 руб. с ндс (18,5 квт) |
Технические характеристики насоса консольного К 150-125-250.
Назначение электронасоса: перекачка воды (не питьевой, не морской) и других жидкостей, имеющих сходство с водой по химическим и физическим свойствам (активность, плотность и вязкость).
В электронасосе консольный насос К 150-125-250 комплектуется трехфазным электродвигателем, в качестве которого устанавливается общепромышленный электродвигатель.
Тип привода электронасосного агрегата - асинхронный электродвигатель с короткозамкнутым ротором.
Взрывозащищенный электродвигатель в данный консольный насосный агрегат не устанавливается, так как он не предназначен для эксплуатации во взрывоопасных условиях и помещениях.
Условное обозначение
К 150-125-250 С-У3, где
- К: консольный насос;
- 150: диаметр входного патрубка, мм;
- 125: диаметр патрубка на выходе, мм;
- 250: условный диаметр рабочего колеса, мм;
- С: сальниковое уплотнение одинарное;
- У: климатическое исполнение;
- 3: категория размещения.
Электроподключение К 150-125-250
- ток: переменный;
- напряжение: 380 В;
- частота тока: 50 Гц.
Таблица 1: Технические характеристики консольных насосов К 150-125-250.
| Марка | Подача м³/ч |
Напор м |
Двигатель квт |
Двигатель об/мин |
Масса насоса/агрегата кг |
| К 150-125-250 | 200 | 20 | 18,5 | 1450 | 115/370 |
| К 150-125-250 "а" | 180 | 16 | 15 | 1450 | 115/355 |
КПД - 69%.
Давление на входе в насос не более 3,5 кгс/см² (0,35 МПа).
Патрубки К 150-125-250 фланцевые - входящий Ду-150, Ру-6 (10)кгс/см², напорный Ду-125, Ру-6(10) кгс/см².
Консольный насос в базовом исполнении оснащается двигателем АИР 160М4 (18,5 квт).
Допускаемый кавитационный запас (ДКЗ) - 4,5 м.
Уровень звука на расстоянии 1 м от контура агрегата 98 дБА.
Насос К 150-125-250 должен оснащаться сертифицированным электродвигателем, который должен соответствовать требованиям ГОСТ РМЭК 60204-1-2007, раздел 14.
Рис. 1. Рабочие характеристики насоса (1450 об/мин).
Рис. 2. Габаритный чертеж электронасоса.
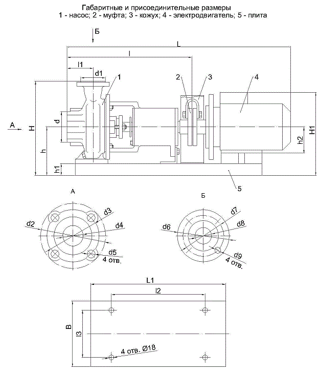
Рис. 3. Габаритные и присоединительные размеры консольного электроагрегата.
Рис.1 Рабочие характеристики насоса ![]() |
Рис.2 Габаритный чертеж электронасоса ![]() |
Рис.3 Габаритные и присоединительные размеры К 150-125-250 ![]() |



Маргарита 
