Технические характеристики насоса КМ 40-32-200/2-5
Технические характеристики консольного насоса моноблочного КМ 40-32-200/2-5.
Электронасос предназначен для перекачки в системах отопления, водоснабжения и пожаротушения питьевой воды и воды промышленно-хозяйственного назначения, а также химически неагрессивных жидкостей, сходных с водой по свойствам.
Моноблочный консольный насос КМ 40-32-200/2-5 оснащается приводом, в качестве которого служит трехфазный электродвигатель.
Тип привода - асинхронный электродвигатель с короткозамкнутым ротором общепромышленного назначения.
Взрывозащищенный электродвигатель, а также частотный преобразователь переменного тока, устанавливается в агрегат по заявке потребителя.
Условное обозначение
КМ 40-32-200/2-5, где
- КМ: консольный моноблочный насос;
- 40: диаметр входного патрубка, мм;
- 32: диаметр патрубка на выходе, мм;
- 200: условный диаметр рабочего колеса, мм;
- 2: условное обозначение частоты вращения электродвигателя (2-2900 об/мин);
- 5: условное обозначение уплотнения вала (5 – одинарное торцовое);
Электроподключение КМ 40-32-200/2-5
- ток: переменный;
- напряжение: 380 В;
- частота тока: 50 Гц.
Таблица 1: Технические характеристики консольных насосов КМ 40-32-200/2-5.
| Марка | Подача м³/ч |
Напор м |
Двигатель квт |
Двигатель об/мин |
Масса агрегата кг |
| КМ 40-32-200/2-5 | 12,5 | 45 | 5,5 | 2900 | 55 |
Диапазон подачи от 9 до 21 м³/час, диапазон напора от 48 до 35 м.
Давление на входе в насос до 8 кгс/см² (0,8 МПа).
КПД - 85%. Патрубки КМ 40-32-200/2-5 фланцевые - всасывающий Ду-40, напорный Ду-32. Ру патрубков 10(16).
Консольный моноблочный агрегат укомплектован электродвигателем серии RA132SA2 (Элдин), мощностью 5,5 квт.
Допускаемый кавитационный запас насоса (ДКЗ) до 1,5 м.
Протечка через торцовое уплотнение 0,03 л/час.
Для защиты от работы "всухую" и от эксплуатации вне рабочего диапазона подач, агрегат комплектуется пускозащитным устройством.
Насос КМ 40-32-200/2-5 должен комплектоваться сертифицированным электродвигателем, который должен соответствовать требованиям ГОСТ.
Рис. 1. Рабочие характеристики электронасоса (2900 об/мин).
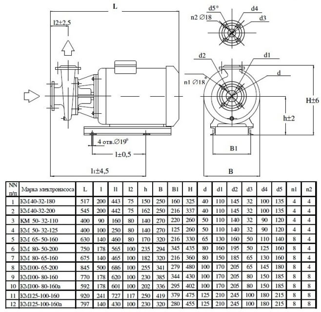
Рис. 2. Габаритные и присоединительные размеры консольного моноблочного агрегата
Рис.1 Рабочие характеристики электронасоса ![]() |
Рис.2 Габаритно-присоединительные размеры агрегата КМ 40-32-200/2-5 ![]() |


Маргарита 
